首页
关于我们
公司简介
企业文化
产品中心
余热回收设备
行业解决方案
工程案例
合作厂家
新闻动态
行业动态
技术交流
企业资质
资质荣誉
专利证书
联系我们
人才招聘
在线留言
欢迎您来到上海炫风实业集团有限公司!
行业解决方案
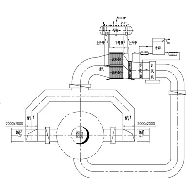
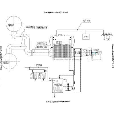
熔铝炉余热回收
查看详情
镀锌炉烟气余热回收
查看详情
碳素煅烧炉烟气余热发电
查看详情
烧结环冷机余热发电
查看详情
天然气分布式能源系统
查看详情
流化床锅炉烟气余热回收
查看详情
发电机组烟气余热回收
查看详情
玻璃窑炉烟气余热回收
查看详情
回转窑烟气余热回收
查看详情
焦炉烟气余热回收
查看详情
钢材加热炉烟气余热回收
查看详情
锅炉烟气余热回收
查看详情
微信二维码
办公地址:上海市嘉定区曹安公路4671号28幢901室
余热回收:张经理 手机:13817912528(微信同号)
余热发电:师经理 手机:13321898722(微信同号)
传真:021-59161779
邮箱:shxfjn1229@126.com
网址:shxfjn.com
销售热线:021-59161778
服务热线:13817912528
本站使用
百度智能门户
搭建
管理登录
沪ICP备2021035991号
沪公网安备31011402011913号